


|
机械性能:电气特性
|
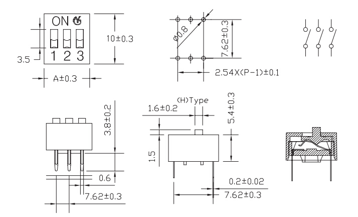
产品信息二特点 产品特点: 2.54mm脚距;标准镀金接点;贴附耐电高温薄膜; 可耐高温的塑料本体设计。 拨码榴莲视频官网下载材质: 1底座:工程塑料UL94V一0高温材质(黑色) 2.上盖:工程塑料UL94V一0高温材质(黑色,红色,蓝色) 3.推钮:工程塑料UL94V-0高温材质(白色) 3.固定触点与可动触点:铜片镀金 3.引脚:铜片镀金 拨码榴莲视频官网下载焊接方式: 1.手焊:30瓦以下烙,摄氏350度以下不超过三秒钟或 摄氏270度以内不超过5秒钟。 2.回流焊:摄氏265度至摄氏275度10秒以内,请于焊接和 清洗时将推钮设在" OFF',的位置。 拨码榴莲视频官网下载包装方式:所有榴莲视频官网下载推钮在包装时都设置在" OFF“的位置。 |